固話:021-6040 2598
傳真:021-6040 2599
采購:info@euro-ke.com
銷售:sales@euro-ke.com
上海市寶山區羅店路388號MAX科技園A座504-1室
導讀:單相電機一般是指用單相交流電源(AC220V)供電的小功率單相異步電動機。這種電機通常在定子上有兩相繞組,轉子是普通鼠籠型的。兩相繞組在定子上的分布以及供電情況的不同,可以產生不同的起動特性和運行特性。...
單相電機一般是指用單相交流電源(AC220V)供電的小功率單相異步電動機。這種電機通常在定子上有兩相繞組,轉子是普通鼠籠型的。兩相繞組在定子上的分布以及供電情況的不同,可以產生不同的起動特性和運行特性。
單相電機,是指由220V交流單相電源供電而運轉的異步電動機。因為220V電源供電非常方便經濟,而且家庭生活用電也都是220V,所以單相電機不但在生產上用量大,而且也與人們日常生活,密切相關,尤其是隨著人民生活水平的日益提高,家用電器設備的單相電機的用量,也越來越多。
在生產方面應用的有微型水泵、磨漿機、脫粒機,粉碎機、木工機械、醫療器械等,在生活方面,有電風扇、吹風機、排氣扇、洗衣機、電冰箱等,種類較多,但功率較小。
當單相正弦電流通過定子繞組時,電機就會產生一個交變磁場,這

個磁場的強弱和方向隨時間作正弦規律變化,但在空間方位上是固定的,所以又稱這個磁場是交變脈動磁場。這個交變脈動磁場可分解為兩個以相同轉速、旋轉方向互為相反的旋轉磁場,當轉子靜止時,這兩個旋轉磁場在轉子中產生兩個大小相等、方向相反的轉矩,使得合成轉矩為零,所以電機無法旋轉。當我們用外力使電動機向某一方向旋轉時(如順時針方向旋轉),這時轉子與順時針旋轉方向的旋轉磁場間的切割磁力線運動變小;轉子與逆時針旋轉方向的旋轉磁場間的切割磁力線運動變大。這樣平衡就打破了,轉子所產生的總的電磁轉矩將不再是零,轉子將順著推動方向旋轉起來。
要使單相電機能自動旋轉起來,我們可在定子中加上一個起動繞組,起動繞組與主繞組在空間上相差90度,起動繞組要串接一個合適的電容,使得與主繞組的電流在相位上近似相差

90度,即所謂的分相原理。這樣兩個在時間上相差90度的電流通入兩個在空間上相差90度的繞組,將會在空間上產生(兩相)旋轉磁場,在這個旋轉磁場作用下,轉子就能自動起動,起動后,待轉速升到一定時,借助于一個安裝在轉子上的離心開關或其他自動控制裝置將起動繞組斷開,正常工作時只有主繞組工作。因此,起動繞組可以做成短時工作方式。但有很多時候,起動繞組并不斷開,我們稱這種電機為單相電機,要改變這種電機的轉向,只要把輔助繞組的接線端頭調換一下即可。
在單相電動機中,產生旋轉磁場的另一種方法稱為罩極法,又稱單相罩極式電動機。此種電動機定子做成凸極式的,有兩極和四極兩種。每個磁極在1/3~1/4全極面處開有小槽,把磁極分成兩個部分,在小的部分上套裝上一個短路銅環,好象把這部分磁極罩起來一樣,所以叫罩極式電動機。單相繞組套裝在整個磁極上,每個極的線圈是串聯的,連接時必須使其產生的極性依次按N、S、N、S排列。當定子繞組通電后,在磁極中產生主磁通,根據楞次定律,其中穿過短路銅環的主磁通在銅環內產生一個在相位上滯后90度的感應電流,此電流產生的磁通在相位上也滯后于主磁通,它的作用與電容式電動機的起動繞組相當,從而產生旋轉磁場使電動機轉動起來。
理論上,如果采取措施讓單相電機兩套繞組中流過的交流電流有一定的相位差就可以啟動。如何使兩個空間上已錯開一定角度的磁勢或磁通之間出現一定的相位差,這是解決啟動問題的出發點。據此可將單相交流異步電機分為分相式和罩極式兩大類。
分相式單相電機利用電容或電阻串人感性啟動繞組中起到移相作用,使啟動繞組和工作繞組的電流相位錯開,即所謂“分相”。
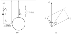
(1)電容分相單相電機
圖(a)所示為電容分相單相電機的原理接線。由于電容的移相作用比較明顯,只要在啟動繞組中串人適當容量的電容(一般約為20~50μF),就可使兩繞組的電流相位差接近于90°,這時的合成旋轉磁場接近于圓形旋轉磁場,因而啟動轉矩大同時啟動電流較小。這種單相電機應用普遍,啟動后可根據需要保留(稱為電容運行電機)或切除(稱為電容啟動電機,由置于電機內部的離心開關執行)。如果需要改變電機的轉向,只需將任意一個繞組的出線端對調即可,這時兩繞組的電流相位關系相反。

(2)電阻分相單相電機
這種電機啟動繞組匝數少、導線細,與運行繞組相比電抗小、電阻大。采用電阻分相啟動時,啟動繞組電流超前于運行繞組,合成磁場為橢圓度較大的橢圓形旋轉磁場,啟動轉矩小,僅用于空載或輕載場合,應用較少。電阻分相式單相電機的啟動繞組一般按短時工作設計,啟動后由離心開關切除,由工作繞組維持運行。圖(b)所示為電阻分相單相電機的原理接線。
將定子磁極的一部分嵌放短路銅環或短路線圈(組)就構成了罩極式單相電機。罩極式單相電機包括凸極式和隱極式兩種類型。
當定子繞組通以單相交流電流后,由它產生的脈振磁場大部分磁通經過氣隙直接耦合到轉子上,另有少部分磁通則在穿過罩極銅環時產生感應磁通并與之合成后經氣隙進入轉子磁路。根據楞次定律可知,感應磁通總是阻礙原磁通的變化,且感應磁通相位上落后于原磁通。這樣就有了兩個在空間上錯開一定角度并且又有一定相位差的磁通,合成磁場是一個橢圓度很大的旋轉磁場。罩極式電機的旋轉方向固定由未罩極部分轉向罩極部分,其功率較小,啟動轉矩小,結構簡單,價格低廉,維護簡便。罩極式電機一般用于小型鼓風機電機和電扇電機等。
1.啟動方式
220 V交流單相電機啟動方式大概分以下幾種:
第一種,分相啟動式,如圖1所示,系由輔助啟動繞組來輔助啟動.其啟動轉矩不大。運轉速率大致保持定值。主要應用于電風扇、空調風扇電動機、洗衣機等電機。

第二種,電機靜止時離心開關是接通的,給電后啟動電容參與啟動工作,當轉子轉速達到額定值的70%~80%時離心開關便會自動跳開,啟動電容完成任務,并被斷開。啟動繞組不參與運行工作,而電動機以運行繞組線圈繼續動作,如圖2所示。

第三種,電機靜止時離心開關是接通的,給電后啟動電容參與啟動工作,當轉子轉速達到額定值的70%~80%時離心開關便會自動跳開,啟動電容完成任務,并被斷開。而運行電容串接到啟動繞組參與運行工作。這種接法一般用在空氣壓縮機、切割機、木工機床等負載大而不穩定的地方。

帶有離心開關的電機,如果電不能在很短時間內啟動成功,那么繞組線圈將會很快燒毀。
電容值:雙值電容電機啟動電容容量大,運行電容容量小,耐壓一般大于400 V。
2.正反轉控制:
圖4是帶正反轉開關的接線圖,通常這種電機的起動繞組與運行繞組的電阻值是一樣的,就是說電機的起動繞組與運行繞組是線徑與線圈數完全一致的。一般洗衣機用得到這種電機。這種正反轉控制方法簡單,不用復雜的轉換開關。

圖1,圖2,圖3正反轉控制,只需將1~2線對調或3~4線對調即可完成逆轉。
對于圖1,圖2,圖3的起動與運行繞組的判斷,通常起動繞組比運行繞組直流電阻大很多,用萬用表可測出。一般運行繞組直流電阻為幾歐姆,而起動繞組的直流電阻為十幾歐姆到幾十歐姆。
專業電機保養維修中心電機保養流程:清洗定轉子→更換碳刷或其他零部件→真空F級壓力浸漆→烘干→校動平衡。
1、使用環境應經常保持干燥,電動機表面應保持清潔,進風口不應受塵土、纖維等阻礙。
2、當電動機的熱保護連續發生動作時,應查明故障來自電動機還是超負荷或保護裝置整定值太低,消除故障后,方可投入運行。
3、應保證電動機在運行過程中良好的潤滑。一般的電動機運行5000小時左右,即應補充或更換潤滑脂,運行中發現軸承過熱或潤滑變質時,液壓及時換潤滑脂。更換潤滑脂時,應清除舊的潤滑油,并有汽油洗凈軸承及軸承蓋的油槽,然后將ZL-3鋰基脂填充軸承內外圈之間的空腔的1/2(對2極)及2/3(對4、6、8極)。
4、當軸承的壽命終了時,電動機運行的振動及噪聲將明顯增大,檢查軸承的徑向游隙達到下列值時,即應更換軸承。
5、拆卸電動機時,從軸伸端或非伸端取出轉子都可以。如果沒有必要卸下風扇,還是從非軸伸端取出轉子較為便利,從定子中抽出轉子時,應防止損壞定子繞組或絕緣。
6、更換繞組時必須記下原繞組的形式,尺寸及匝數,線規等,當失落了這些數據時,應向制造廠索取,隨意更改原設計繞組,常常使電動機某項或幾項性能惡化,甚至于無法使用。
由于單相異步電動機只需要單相電源供電,因此被廣泛的應用于生產、生活等小型設備中。但是由于它的各種經濟性能指標都比較差,因此只做成小功率的。
我國生產的貧馬力單相異步電動機,有如下幾種型號。
1.BO2系列 單相電阻起動異步電動機。功率在60~370W之間。特點是,不外加任何裂相元件,利用副繞組自身的電阻而起動,并利用離心開關,起動結束時將副繞組切除。結構較簡單。它具有中等起動轉矩和過載能力,因此適用于小型機床、鼓風機、醫療機械。
2.CO2系列 單相電容起動異步電動機。功率在120~750W之間。是利用外加電容的辦法加大起動轉矩而起動的單相電機。在副繞組中串聯外加電容器,并在起動結束時用離心開關將副繞組及電容器一起從電源切除,與BO2型一樣,變成一個只有主繞組運行,而副繞組閑置狀態。電容起動電機具有較高的起動轉矩,但過載能力中等水平。適用于空氣壓縮機、電冰箱、洗衣機、磨粉機、脫粒機、水泵。
3.DO2 單相電容電機。是一種利用一只電容參與起動及運行的單相電機,副繞組與電容器和主繞組一起參加運行。因此,不需離心開關。經過適當設計,使電機運行時形成理想旋轉磁場,所以電機運行性能好,效率及功率因數高’噪聲小。其功率范圍為4~250W。由于采用一只電容來兼顧起動及運行,權衡剎弊因起動時間很短,只能是在選擇電容值時,盡量滿足較長時間運行時的需要,則選取便宜的小值電容器,所以這種電機起動轉矩較低,只能用在空載或輕載起動的機械中,如電風嗣、通風扇、錄音機等。
4.雙值電容電機 這種電機目前我國沒有正式型號,但也在生產。電機功率最大750W,或1kW左右。在國外還有更大功率的。由于功率較大,所需電容器價格貴得多。這種電機的起動性能及運行性能都較好。話用于家用電器、小型機床。
下一篇:三相電機原理
專業顧問快速對接您的需求
高質量的設備解決您的需求
專業制作工廠高質量的保證
多年經營值得信賴